组合式低露点干燥机
博菱系列风冷型组合式低露点干燥机产品特点:
*低露点:组合式低露点干燥机能达到很低的压力露点,常规可达-40℃以下,根据不同用户要求最低可达-70℃。
*低能耗:组合式低露点干燥机再生耗气量仅需3%-5%,大大节约了压缩空气消耗。
*可提供不同露点的压缩空气给不同的用气使用。
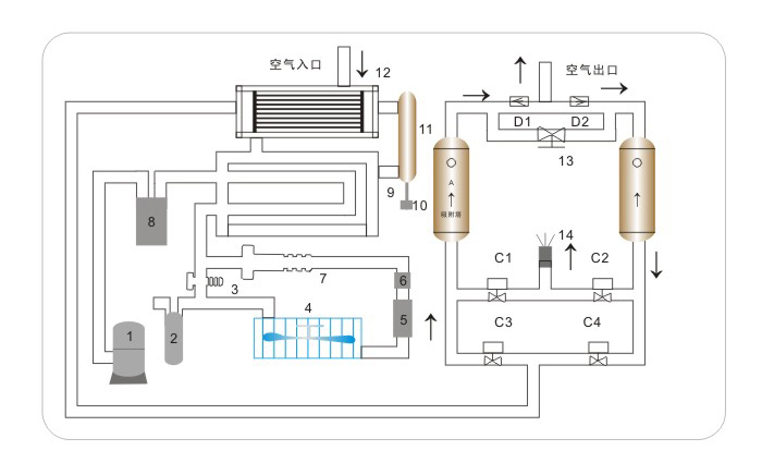
*组合式低露点干燥机的所有操作开关及显示仪表都集中在箱板的面板上,冷冻式干燥机与吸附式再生干燥机根据客户需要可吸干机独立运行或冷、吸同时进行。
*气液分离器结合了旋风分离和滤芯式分离两种分离技术。能够充分的将已被冷却的液态水份分离出来,充分发挥冷冻干燥的效率。
*吸附式干燥机部分,采用进口品牌先导电磁阀、气动蝶阀、性能可靠,切换稳定,动作准确。
*制冷压缩机采用百福马(RERFORMER)、美优乐(MANEUROP)、比泽尔(BITZER)、谷轮(COPELAND)、汉钟(HANBELL)、擎宇(CHYNTEC)等品牌的中高温型全封闭及半封闭制冷压缩机。
*冷冻式干燥机部分的热交换器,冷凝器选用优质高效螺纹管。
*吸吸附式干燥机部分,采用科学合理的吸附塔结构设计,独创的压缩空气扩散器、分别板、气流分布盘管设计,保证吸附剂与压缩空气充分接触,避免隧道效应,有效降低高速气流对吸附剂的冲击,降低吸附剂的磨损,延长吸附剂的使用寿命,保证空气露点稳定。
*吸附式干燥机部分,可根据设备的运行负载需求、空气露点的高低,调节再生气用量,达到节能的效果。
*吸附式干燥机部分,选用高性能的吸附剂,具有更大的活性表面积,更高的强度,更长的使用寿命。
*控制方式:根据用户用气要求不同,采用多种不同的控制方式。
*冷冻式干燥机部分的热交换器,冷凝器选用优质高效螺纹管。
*吸吸附式干燥机部分,采用科学合理的吸附塔结构设计,独创的压缩空气扩散器、分别板、气流分布盘管设计,保证吸附剂与压缩空气充分接触,避免隧道效应,有效降低高速气流对吸附剂的冲击,降低吸附剂的磨损,延长吸附剂的使用寿命,保证空气露点稳定。
*吸附式干燥机部分,可根据设备的运行负载需求、空气露点的高低,调节再生气用量,达到节能的效果。
*吸附式干燥机部分,选用高性能的吸附剂,具有更大的活性表面积,更高的强度,更长的使用寿命。
*控制方式:根据用户用气要求不同,采用多种不同的控制方式。
博菱系列风冷型组合式低露点干燥机工作原理:
组合式低露点干燥机由冷冻式干燥机与吸附式(无热或有热)干燥机通过合理的管路连接和容积搭配而成。冷冻式干燥机除水能力极强,运行能耗较低,无气量损耗,与吸附式干燥机能达到的较低露点的特点结合,最大限度地发挥二者的优点。在压缩空气进入吸附式干燥机前,先用冷冻式干燥机进行前置预处理,让大量水分(约80%)在冷冻式干燥机里先行除去,再进入吸附式干燥机做深度干燥,能够达到很低的压力露点,最低可达-70℃。它利用冷冻式干燥机充当吸附式干燥机的前置除水设备。利用冷冻式干燥机的强大除水能力使干燥塔进水负荷大幅降低,经冷却处理后进入吸附塔的水分为普通干燥机的20%左右,在其他条件不变的情况下,用于吸纳水蒸气的低露点干燥空气也可以相同幅度的下降。即再生气量约为普通吸附式干燥机的1/5。从而确实为降低再生能耗、特别是节约再生气能耗创造了条件。从而达到了最佳经济运行点和高品质的低露点成品气。
博菱系列风冷型组合式低露点干燥机工况条件与技术指标:
博菱系列风冷型组合式低露点干燥机选型参数表:
博菱系列风冷型组合式低露点干燥机实物外观图:
博菱系列风冷型组合式低露点干燥机产品资料:
电信线路下载 网通线路下载
电信线路下载 网通线路下载


